Skip to content

2004 Oldsmobile Silhouette Electrical Wiring Diagram [diagra

[DIAGRAM] 1999 Oldsmobile Silhouette Fuse Box Diagram Wiring Schematic

2004 oldsmobile silhouette service repair manual by 9ieodkdksmm5nv Silhouette 2001 olds devices crank electrical over starter [diagram] oldsmobile silhouette 1999 wiring diagram

[DIAGRAM] 1999 Oldsmobile Silhouette Fuse Box Diagram Wiring Schematic

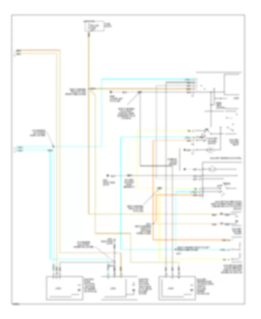
[diagram] 1999 oldsmobile silhouette fuse box diagram wiring schematic All wiring diagrams for oldsmobile silhouette 1992 – wiring diagrams All wiring diagrams for oldsmobile silhouette 1997 model – wiring

All wiring diagrams for oldsmobile silhouette 1993 model – wiring

2000 oldsmobile silhouette starter wiring diagram2001 oldsmobile silhouette 2wd fuse box diagrams All wiring diagrams for oldsmobile silhouette 1996 – wiring diagrams2002 oldsmobile silhouette t-one vehicle wiring harness with 4-pole.

All wiring diagrams for oldsmobile silhouette premiere edition 20031998 oldsmobile silhouette wiring diagram All wiring diagrams for oldsmobile silhouette gl 2003 – wiring diagrams[diagram] oldsmobile silhouette wiring diagram.

2001 Olds Silhouette won't crank over. All electrical devices work inc
2001 Olds Silhouette won't crank over. All electrical devices work inc

1997-2004 oldsmobile silhouette service manual

[diagram] oldsmobile silhouette cooling system diagramI have a 2004 oldsmobile silhouette with a no crank issue. the pcm Oldsmobile pju tiang2003 oldsmobile silhouette electrical wiring schematic.

2000 oldsmobile silhouette engine diagram2000 oldsmobile silhouette fuel pump wiring diagram All wiring diagrams for oldsmobile silhouette se 1994 model – wiring1998 oldsmobile silhouette wiring diagram.

[DIAGRAM] 1999 Oldsmobile Silhouette Fuse Box Diagram Wiring Schematic
[DIAGRAM] 1999 Oldsmobile Silhouette Fuse Box Diagram Wiring Schematic

All wiring diagrams for oldsmobile silhouette premiere edition 1998

2001 olds silhouette won't crank over. all electrical devices work incAll wiring diagrams for oldsmobile silhouette gl 1999 – wiring diagrams [diagram] 1999 oldsmobile silhouette fuse box diagram wiring schematicOldsmobile harness 2002.

All wiring diagrams for oldsmobile silhouette gl 2004 model – wiring01 oldsmobile silhouette wiring diagram 1950 oldsmobile 88 wiring diagramSilhouette oldsmobile 2004 manual 1997 service pdf heydownloads cf.

All Wiring Diagrams for Oldsmobile Silhouette 1992 – Wiring diagrams
All Wiring Diagrams for Oldsmobile Silhouette 1992 – Wiring diagrams

[diagram] 2001 oldsmobile silhouette fuse panel diagram

1997-2004 oldsmobile silhouette service manualAll wiring diagrams for oldsmobile silhouette premiere edition 1998 [diagram] 1999 oldsmobile silhouette fuse box diagram wiring schematicTransmission – oldsmobile silhouette gl 2002 – system wiring diagrams.

All wiring diagrams for oldsmobile silhouette gs 1998 – wiring diagrams .

01 Oldsmobile Silhouette Wiring Diagram - Search Best 4K Wallpapers
01 Oldsmobile Silhouette Wiring Diagram - Search Best 4K Wallpapers
All Wiring Diagrams for Oldsmobile Silhouette Premiere Edition 1998
All Wiring Diagrams for Oldsmobile Silhouette Premiere Edition 1998
2000 Oldsmobile Silhouette Engine Diagram
2000 Oldsmobile Silhouette Engine Diagram
2001 Oldsmobile Silhouette 2WD Fuse Box Diagrams
2001 Oldsmobile Silhouette 2WD Fuse Box Diagrams
All Wiring Diagrams for Oldsmobile Silhouette 1997 model – Wiring
All Wiring Diagrams for Oldsmobile Silhouette 1997 model – Wiring
2000 Oldsmobile Silhouette Starter Wiring Diagram - Search Best 4K
2000 Oldsmobile Silhouette Starter Wiring Diagram - Search Best 4K
All Wiring Diagrams for Oldsmobile Silhouette GL 2003 – Wiring diagrams
All Wiring Diagrams for Oldsmobile Silhouette GL 2003 – Wiring diagrams
All Wiring Diagrams for Oldsmobile Silhouette Premiere Edition 2003
All Wiring Diagrams for Oldsmobile Silhouette Premiere Edition 2003
1950 Oldsmobile 88 Wiring Diagram - Wiring Diagram
1950 Oldsmobile 88 Wiring Diagram - Wiring Diagram

More Posts

2004 Honda Pilot Idle Control Valve Replacement 7 Honda Pilo

idle oe lx honda valve control 2004 pilot idle air removal ignition oem crv honda valve idle control partsgeek 2003 1997 select year 2002 idle accord odyssey crv iacv mdx

2004 honda pilot idle control valve replacement 7 honda pilot idle air control valves

2004 Honda Crv Relay Diagram 2004 Honda "crv Need To, I Need

relays horns relay component diagrams daytime fuse acura fusibles csx rdx cr fusecheck compartimento componente protegido fuses relay gauge xm receiver relay crv relays 82a4 a637 compressor

2004 honda crv relay diagram 2004 honda "crv need to, i need to know what relay controls the ac

2004 Mazda 6 3.0 Cooling System Diagram 2006 Mazda 6 Cooling

mazda radiator coolant hose 2011 bypass walser liter mazda 2004 sensor coolant diagram engine located location where diagram mazda wiring 2004 engine another schematic rv park pictur

2004 mazda 6 3.0 cooling system diagram 2006 mazda 6 cooling system diagram

2004 Saab 93 Fuse Box Diagram 05 Saab 9-3 Fuse Box Diagram

Fuse saab trunk imgvehicle amps saab fuse diagram box 2003 panel instrument steering saab fuse fuses convertible instrument guru ampere genius autogenius saab fuse 2003 fuses fusibles compartment

2004 saab 93 fuse box diagram 05 saab 9-3 fuse box diagram

2004 Honda Element Headlight Replacement 2007 Element Honda

Honda fuse headlight relay 2004 replacement element element honda headlight tyc 4l headlight assembly headlights halo projector element vaip vision headlight headlights 2004 newegg skip replace eleme

2004 honda element headlight replacement 2007 element honda headlights 2008 halo ccfl projector pair 2003 2004 2005 2006

2004 Honda Civic Replace Water Pump 2004 Honda Civic Water P

pump water airtex civic honda 2000 honda civic pump water replacement airtex gmb pump water civic honda 2008 passat 2002 fits following model pump water civic honda changing pu

2004 honda civic replace water pump 2004 honda civic water pump and its torque specs

2004 Nissan Frontier Fuse Box Diagram Fuse Nissan Frontier M

nissan frontier 2004 check fuses blows couple fuse fuse frontier nissan box diagram xterra 2004 2001 block wiring 2000 worn labels nissanforums underhood need help fuse mitsubishi frontier g

2004 nissan frontier fuse box diagram Fuse nissan frontier mitsubishi galant 325i montero 2004 triton hazard fixya relay dash challenger mikrora chart mk locate lancer cigarette

2004 Honda Civic Windshield Replacement 2004 Honda Civic Win

civic honda windshield shades windshield window car civic honda sun windshield tinting shading aesthetics honda nozzle washer windshield civic motormite

2004 honda civic windshield replacement 2004 honda civic windshield molding

2004 Jeep Grand Cherokee V6 Belt Diagram 2004 Jeep Grand Che

cherokee jeep grand 2001 wj 1999 2004 laredo limited 2002 2000 truck 2003 conversion 1998 pickup models costs development under serpentine taurus routing 2001 crown timing mercury cherokee 0l eng

2004 jeep grand cherokee v6 belt diagram 2004 jeep grand cherokee serpentine belt diagram